Get Images Library Photos and Pictures. Download Drivers And Manuals Acer Official Site Free Laptop Schematics 2018 Repair Acer Z1402 Lost Power Padam Youtube Acer Free Schematic Diagram
. Schematic Acer 14 Z1402 Mbpndbu144 0320 Ufotech Forum Acer Free Schematic Diagram Schematic Acer 915m08
Acer Acer Shemi Na Laptopi Nachalo
Acer Acer Shemi Na Laptopi Nachalo
Nh4 78 3s1p2200 0 Nh4 79 3s1p2200 0 Nh4 00 3s1p2200 0 Original Battery For Acer Aspire One Z1401 Z1402 Wit Computers
Acer Notebook One Broadwell 14 Z1402 Sabaody Bh Schematic For 5 52
Acer One 14 Z1402 Sabaody Bh Mbpndbu144 0320 Schematic Forum Teknisi Laptop Indonesia
Main Acer One 14 Z1402 Core I3 Vga Share
Acer One 14 Z1402 Sabaody Bh Mbpndbu144 0320 Schematic Page 5 Of 7 Adspntr
Download Acer E1 431 Manual Pdf Realistic Tutorial Option Amazon
Schematic Acer Aspire One 14 Z1402 Tongfang Broadwell U Rev A Herdifan
Schematic Acer 14 Z1402 Mbpndbu144 0320 Ufotech Forum
Acer Aspire One 14 Z1402 Schematic
Electronic Schematic Diagram Bios Bin File Software Free Download Sites
How To Remove Acer Packardbell Bios Password Bios Fix Com
18650 00 01 3s1p 0 Original Battery For Acer Z1401 Z1402 Ndxx1401 00 01 3s1p 0 Battery For Acer Aspire One 14 Z1401 Z1402 C87p C6uv C6yw Series 18650 00 01 3s1p 0 Wit Computers
Jual Kumpulan 6500 File Schematic Dan Dump Bios Bin Untuk Motherboard Laptop Maupun Desktop Skematik Schematics Skema Di Lapak Sangkarastudio Bukalapak
Mainboard Acer One Es1 341 Cpu N3050 Z8ad Daz8admb6d0 Rev D Dạy Sửa Laptop Trực Tuyến Dạy Sửa Laptop Sửa Laptop Chuyen Nghiệp
Test Point Sabaody Bh Schematic Mbpndbu144 For Acer One 14 Z1402 Youtube
Intel Lv19n Series User S Manual Manualzz
Acer One 14 Z1402 308t Ndbu1401 4l Rev 2 0 Ok
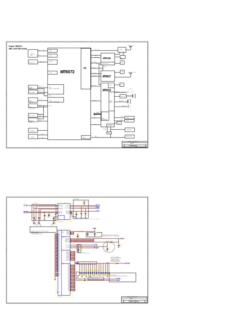
Project Mt6572 Ref Sch Top Level 01 Block Diagram Digital Electronics Electronic Engineering
Refix Guru Collection Of Bios Schematics Bios Schematic Boardview
노트북 테스크탑 메인보드 Bios Bin Dump 이미지 Rom 파일 모음 지속 업데이트 중입니다 네이버 블로그




Comments
Post a Comment